智慧•勤奋•开拓
始终秉承“创新品,做精品”的企业经营风格
咨询热线
0574-63320958
首 页
关于嘉宇
嘉宇产品
嘉宇荣誉
技术分析
联系我们
En
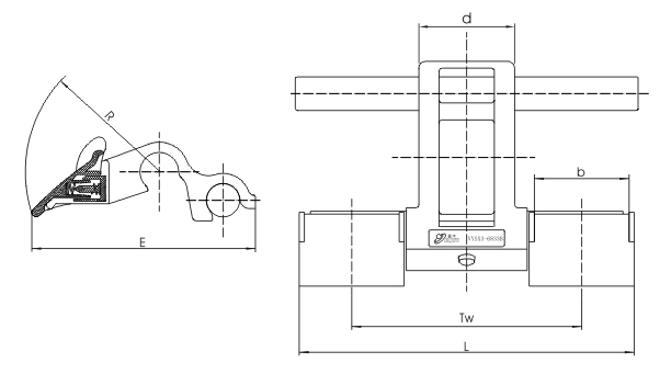
VYSX3-6833K
大前冲式VI型压力棒上销
返回
VYSX3-6833K
大前冲式VI型压力棒上销
产品名称
型号
型号
适配牵伸
主要尺寸
TW
L
b
d
R
E
大前冲压力棒上销
VI型
VYSX3-6833K
V牵气动加压
68.4
99.8
28.4
33
39.5
66.3
公司地址:
浙江省慈溪市周巷镇环城北路355号
传真:
0574-63320938 0574-63330838
电话:
0574-63320958 0574-63330188
手机:
(0)13606882128
COPYRIGHT ◎ 2017-2025 XSC.CN All RIGHTS RESERVED.
慈溪嘉宇纺织器材有限公司
版权所有
浙ICP备05050160号-1
宁波公网安备 51012102000204号